液压油冷却装置
【产品类别】:油冷却装置
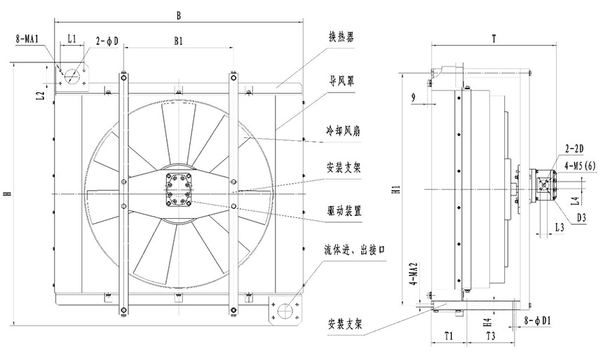
【产品简述】:产品功能风冷机组主要用于工程机械液压系统中液压油冷却,也可用于其它行业符合一定工况条件的热流体冷却。当系统热流体流经该机...
88888888235
- 上一篇:液压油冷却装置
- 下一篇:没有了;
产品简介
相关产品
产品功能
风冷机组主要用于工程机械液压系统中液压油冷却,也可用于其它行业符合一定工况条件的热流体冷却。
当系统热流体流经该机组时,在换热体中和强制对流的冷空气进行***换热,使热流体降至工作温度。
动力装置
DC24V直流电机,AC220V、AC380V交流电机,液压马达。
工况条件
系统***大工作压力≤2.0MPa
许用工作温度≤200℃
选配部件
根据用户需求可选配温度控制装置、滤器、继电器、旁通阀等部件,以便对系统进行更有效保护。



相关产品:


