【产品类别】:铝制板翅式换热器
【产品简述】:一 板翅式换热器结构说明板翅式换热器通常由隔板、翅片、封条、导流片组成。在相邻两隔板间放置翅片、导流片以及封条组成一夹层...
88888888235
- 上一篇:没有了;
- 下一篇:铝制板翅式换热器
一 板翅式换热器结构说明
板翅式换热器通常由隔板、翅片、封条、导流片组成。在相邻两隔板间放置翅片、导流片以及封条组成一夹层,称为通道,将这样的夹层根据流体的不同方式叠置起来,钎焊成一整体便组成板束,板束是板翅式换热器的核心,配以必要的封头、接管、支撑等就组成了板翅式换热器。
二 优点
传热效率高、结构紧凑、适用性强(液—液、气—液、气—气)、应用广泛(化工、医疗、发电、交通、工程机械等)、承压高。
三 缺点:1.不适合用于含酸性和碱性的物质换热。
2.内翅片容易堵塞。
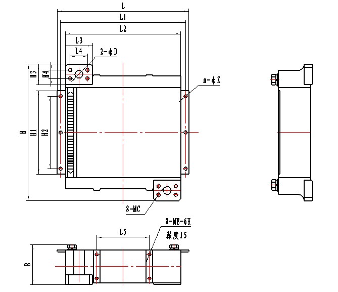
四 结构图


换热器技术参数
产品型号 | BFH-8 | BFH-10 | BFH-16 | BFH-20 | BFH-25 | BFH-31 | BFH-40 | BFH-50 | BFH-60 | BF10-80 | BFH-100 |
换热面积 | 8 | 11 | 15 | 18.4 | 23 | 28.2 | 35.6 | 44.5 | 56.3 | 80.6 | 96.7 |
理论流量 | 80 | 100 | 150 | 200 | 250 | 300 | 350 | 400 | 480 | 550 | 600 |
L | 400 | 400 | 464 | 464 | 572 | 572 | 704 | 866 | 866 | 1050 | 1050 |
L1 | 380 | 380 | 444 | 444 | 548 | 548 | 680 | 842 | 842 | 1010 | 1010 |
L2 | 350 | 350 | 414 | 414 | 512 | 512 | 646 | 806 | 806 | 970 | 970 |
L3 | 82 | 82 | 85 | 85 | 100 | 100 | 100 | 108 | 108 | 108 | 108 |
L4 | 52.5 | 52.5 | 58.7 | 58.7 | 70 | 70 | 70 | 78 | 78 | 86 | 86 |
L5 | 166 | 166 | 200 | 200 | 260 | 260 | 360 | 360 | 360 | 360 | 360 |
H | 415 | 475 | 585 | 687 | 695 | 825 | 825 | 865 | 1018 | 1107 | 1360 |
H1 | 254 | 314 | 400 | 500 | 500 | 629 | 629 | 629 | 798 | 887 | 980 |
H2 | 220 | 280 | 360 | 450 | 460 | 560 | 560 | 560 | 750 | 800 | 880 |
H3 | 62.5 | 62.5 | 75 | 75 | 80 | 80 | 80 | 96 | 96 | 96 | 96 |
H4 | 26 | 26 | 30 | 30 | 36 | 36 | 36 | 43 | 43 | 50 | 50 |
B | 125 | 125 | 125 | 125 | 125 | 125 | 125 | 125 | 125 | 125 | 125 |
C | 10 | 10 | 10 | 10 | 12 | 12 | 12 | 12 | 12 | 12 | 12 |
D | 24 | 24 | 30 | 30 | 36 | 36 | 36 | 48 | 48 | 60 | 60 |
n | 6 | 6 | 6 | 6 | 8 | 8 | 8 | 10 | 10 | 10 | 12 |
K | 10 | 10 | 10 | 10 | 12 | 12 | 14 | 14 | 16 | 16 | 16 |
E | 8 | 8 | 10 | 10 | 10 | 10 | 10 | 10 | 12 | 12 | 12 |


